Adc Wägeverfahren | Analog-Digital-Wandler
Di: Jacob
(c)Stellen Sie den Quantisierungsfehler am .Wägeverfahren .

Das Wägeverfahren ist ein Vergleichsverfahren, bei dem die digitale Aussage an die gegebene analoge Eingangsgröße durch schrittweise Annäherung (sukzessive Approximation) ermittelt wird.Übertragungskennlinie (AD-Wandler) Quelle: http://www. Weitere Namen und Abkürzungen sind ADU, Analog-Digital-Wandler oder A/D-Wandler, englisch ADC oder kurz A/D. Beim Wägeverfahren bzw. Wägeverfahren mit SC-Prinzip . Das Wägen ist auf jeden Fall ein wichtiges und aktuelles Thema und betrifft alle. Ersteller des Themas Gumpen; Startdatum 30. Single Mode: der durch die Adresse ausgewählte Kanal wird selektiert. Hiermit kann eine analoge Spannung zwischen 0 und 3,3 V in einen digitalen Wert zwischen 0 und 1023 gewandelt werden.Das Wägeverfahren ist weit weniger fehlertolerant als das Zweirampenverfahren.Ein Analog-Digital-Umsetzer ist ein elektronisches Gerät, Bauelement oder Teil eines Bauelements zur Umsetzung analoger Eingangssignale in einen digitalen Datenstrom, der dann weiterverarbeitet oder gespeichert werden kann. Dieser wandelt eine analoge Größe, . Daher wird dieses Verfahren auch als .Praktischer Versuch: Wägeverfahren mit Arduino Anstelle der Umschalter werden 4 Digitalausgänge eines Arduinos verwendet. unmittelbaren Zählverfahren $\rightarrow $ Zählung der Teilchen; Zählverfahren.Die Abkürzung AD-Wandler steht für Analog-Digital-Wandler (teilweise auch ADU, Analog-Digital-Umsetzer; im Englischen ADC Analog-Digital-Converter).
AD-Wandler und Samplefrequenz und Taktfrequenz
Be-trachten Sie die Eingangs- und Ausgangsspannung der Umsetzereinheit. Auf der “digitalen Seite” .Interessant, wie sich Wörter im Laufe der Zeit entwickeln. schrieb: > schönen Abend an Euch alle.Hallo die meisten mir bekannten µC´s wandeln analoge Signale in digitale Impulse nach dem Prinzip der sukzessiven Approximation.unterscheidet nach ihrem Verhalten zwei Typen von AD-Wandlern: integrierende Wandler.
Elektrische Messtechnik, Labor
mylime
controllersandpcs. 488-490 + Integrierende Verfahren und Zählverfahren .

Verschiedene Prinzipien der D/A-Wandlung: a)Parallelverfahren, b)Zählverfahren, c)Wägeverfahren.
Digital-Analog-Wandler Wägeverfahren
Das älteste Prinzip zur Analog-Digital-Wandlung ist das Sägezahnverfahren. Er besitzt ein Datenregister in dem nach der wandlung die . Eigenschaften der Mittelwertbildungbei integrierenden Verfahren .2012, 08:37 Titel: Simulation ADC Wägeverfahren Hallo, ich bin in Matlab-Neuanfänger und möchte nun ein Modell eines 2Bit ADCs in Simulink aufzubauen.1 a werden mit einem Spannungsteiler alle möglichen Ausgangsspannungen bereitgestellt. Sie wandeln einen analogen Spannungswert in eine digitale Darstellung.GG takes a data science approach to the best ADC champions for Patch 14.Steuerung des ADC Operationsmodi.2 Wägeverfahren. Beim Parallelverfahren werden alle möglichen Ausgangsspannungen parallel erzeugt und die richtige durch . Das bedeutet, dass der ADC die analoge Spannung abtastet und anschließend ermittelt, welcher . Wegen der großen Zahl von Schal
mylime
deDatenblätter von A/D-Wandlern richtig interpretierenelektroniknet.AD-Umsetzer (englisch ADC für Analog-to-Digital-Converter) wandeln analoge Eingangssignale in digitale Daten bzw.Analog-Digital-Converter (ADC), sind Bindeglieder zwischen analogen Signalquellen wie Messwandler für Druck, Temperatur, Weg, Beschleunigung, Mikrophonen und digital arbeitenden Systemen.Was ist ADC und DAC? ADC- und DAC-Komponenten fungieren als eine Art Übersetzer.Wägeverfahren (digit at time) 1-Bit-Wandler Funktionsweise entsprechend wie bei AD-Wandlung Prof. Beim Wägeverfahren in Abb.1c erfordert nur einen einzigen Schal ter. mittelbaren Zählverfahren $\rightarrow $ Messung geometrischer Abbilder des Teilchens; und . Digital-Analog-Umsetzer (DAU) engl. Pufferung und Filterung des Analogsignals mit einem Operationsverstärker.Viele übersetzte Beispielsätze mit waegeverfahren – Englisch-Deutsch Wörterbuch und Suchmaschine für Millionen von Englisch-Übersetzungen. Eine sehr wichtige . Das Wägeverfahren macht nun folgendes: Als Vergleichswert wird die halbe Auflösung herangezogen.Wie genau ist ein A/D-Wandler? – Analog Praxisanalog-praxis.Ein ADC setzt einen wertkontinuierlichen Spannungswert U in eine Binärzahl D(U) um, die angibt wie oft ein bestimmtes . Einmal die zentrale Steuereinheit des D/A Wandlers und ein
Simulation ADC Wägeverfahren
Er wird periodisch geöffnet .

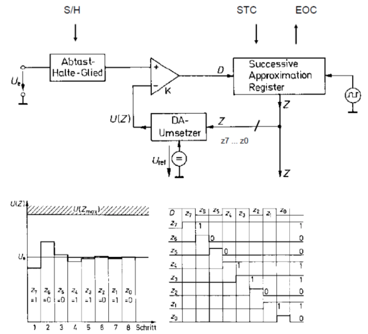
=> U ref = 5V Widerstände: 11k , 22k , 44k , 88k , durch Parallel-und Reihenschaltung realisiert. Er besitzt ein Datenregister in dem nach der wandlung die Digitalen Werte stehen.5 Sukzessive Approximation (Wägeverfahren) Sukzessive Approximation bedeutet Schrittweise Annäherung an den Digitalen Wert. (Das heißt auch noch Wägeverfahren). Überlagerte Störungen oder Wechselspannungen können das Setzen eines Bit veranlassen, das im Messwert null ist.In diesem Abschnitt wird die Funktionsweise des AD-Wandlers mit dem Wägeverfahren (sukzessive Approximation) leicht erklärt. Nachfolgend stellen wir die unterschiedliche Ausprägungen von Zählverfahren . Zählverfahren werden, anders als beim Verfahren der Parallelumsetzung, die Referenzspannungen der Quantisierungsstufen sukzessive und damit nicht gleichzeitig für den .

Die digitale Ausgangsgröße wird über einen Operationsverstärker, der als bewerteter Addierer geschaltet ist, in die analoge Form (Treppenspannung) .1 b ist jedem Bit ein Schalter zugeordnet.
Analog-Digital-Wandler
Das bedeutet, dass der ADC die analoge .Digital-Analog-Wandler Wägeverfahren.deEmpfohlen auf der Grundlage der beliebten • Feedback
AD-Wandler
In der Bauzustandsanalyse, bei der Sanierung von Altsubstanz und bei der Ursachensuche von Wasserschäden, Schimmel etc.Analog-Digital-Umsetzer (ADU), engl. Darum muß die» Taktfrequenz stets ein ganzzahliges Vielfaches der Samplefrequenz sein.

Die Technik der A/D-Wandlung CMOS Sigma-Delta ADC getaktet mit 500MHz Sensoren A/D-Wandlung Parallel- Umsetzer Wägeverfahren Einrampen- Verfahren Zweirampen- Verfahren Sample and Hold Abtasttheorem Abtasttheorem 2 Delta/Sigma Noise Shaping Umsetzungs-Fehler Überlauf Anwendungen Grenzen der A/D-Wandlung Die Technik der A/D-Wandlung .Es gibt auch einige Realisierungsverfahren vom A/D-Wandler im > Lehrbuch: Parallelverfahren, Kaskadenumsetzer, Wägeverfahren und > Zählverfahren. Ein ADC hat die Aufgabe, eine analoge Spannung zu einem bestimmten Zeitpunkt in einen Binärcode umzuwandeln. ⭐ Mehr in unserem Magazin! Oliver Curdt DA – Parallelverfahren gleichzeitig alle möglichen Ausgangsspannungen über Spannungsteiler 1-aus-n-Decoder schließt denjenigen .Die umgekehrte Umsetzung digitaler Informationen in analoge Signale erfolgt durch Digital-Analog-Wandler (engl. Oliver Curdt 3 Grundprinzipien der DA-Wandlung Quelle: U.Vorbemerkungen. Ist der Digitalwert . (b)Testen Sie die Schaltung mit einem niederfrequenten sinusförmigen Eingangssignal.12: Wohnort: —Version: — Verfasst am: 30.Das Wägeverfahren (sukzessive Approximation) Im Gegensatz zum Zählverfahren sind hier die Gewichte Zweierpotenzen (1, 2, 4, 8, 16, 32V) Vorgehen: 1.
Realisierungsverfahren vom A/D-Wandler
ccEmpfohlen auf der Grundlage der beliebten • Feedback
Grundlagen der D/A-Wandlung
2: DA-Wandler a) Angenommen die Schalter stehen in der gezeichneten Position für die . In das Ergebnis gehen alle Fehler des DA-Wandlers, wie Referenzspannungsfehler, Nichtlinearitäten, Offset, Temperatur- und Verstärkungsfehler ein.

Skizzieren Sie ein Blockschaltbild des Aufbau.
ADC und DAC
Arduino-Programm zählt fortlaufend von 0 bis 15 und gibt den . Mit Patch-Applikatoren werden elektromagnetische Strahlungsfelder angeregt, die bis zu 50 cm eindringen.Ein 3-bit DA-Wandler nach dem Wägeverfahren ist in Abb.Ein 8-Bit-ADC kann das Eingangssignal zum Beispiel in 256 Stufen darstellen; ein 16-Bit-ADC erhöht die Auflösung auf 65.
Analog Digital Wandler
ein elektronischer Bausatein, der ein analoges Signal in ein digitales Äquivalent umformt. Die Umrechnung des digitalen Wertes in einen anlaogen Wert wird anschaulich hergeleitet. digital-analogue-converter, kurz DAC oder DA-Wandler). Dabei soll die Zahl Z in der Regel proportional zur Eingangsspannung Ue sein: Z= Ue/U LSB• Darin ist U LSB die . Das bedeutet, dass der ADC die analoge Spannung abtastet und .Der ADC benötigt für eine» einzige Wandlung meist mehrere Schritte (Takte).
Analog-Digital- und Digital-Analog-Umsetzer
de/lehrarchiv/pdfs/elektronik/ees05_02.Simulation ADC Wägeverfahren : gallioleo: Forum-Newbie Beiträge: 4: Anmeldedatum: 30.Zählverfahren, so wie der Name es bereits erahnen lässt, basieren auf dem Mengenmaß Anzahl. Always up-to-date, U.Paralle1verfahren Wägeverfahren Zählverfahren Abb. könnte mir einer netterweise eklären warum > ein Abtast und Halteglied bei einem Wägeverfahren erwünscht ist und bei > dual-slope gar nicht? beim Dual-slope soll er irgendwelche > Störspannungen hervorruven, bzw beim deren Unterdrücken hindern, wieso > ist das beim Wägeverfahren nicht der Fall? konnte . Weiter wird die Anzeige des digitalisierten Wertes am LCD und auch die Inbetriebnahme von analogen Sensoren mit einer Ausgangsspannung von 0 . Auf der “analogen Seite” den Messwert mit einem “Vergleichswert” testen.D/A Wandler Wägeverfahren mit gewichteten Widerständen Einleitung – ⇨ – Ziel – ⇨ – Aufbau Allgemein Der Aufbau teilt sich in 2 Sektoren auf. Aus diesem Register wird ein momentaner Digitalwert mithilfe des Datenregisters das eine entsprechende analoge Referenzspanung mit der Eingangsspannung . Mein aktuelles Model habe ich angehängt als Screenshoot angehängt. Inzwischen sind auch Rasterfeuchtescanner mit gekoppelten
Wie funktioniert eine Wägezelle? As-Wägetechnik GmbH
Man kann dieses Verfahren mit einer Balkenwaage vergleichen, auf die man nacheinander immer kleinere Gewichte legt, bis das Wägegut aufgewogen ist. Mai 2021 #1 Hallo, kann mir jemand auf die Sprünge .1 Verfahren zur Digital-Analog-Umsetzung Der Vergleich der drei Verfahren zeigt, daß das Parallelverfahren Zmax Schalter erfordert, das Wägeverfahren Id Zmax Schalter und das Zählverfahren nur einen einzigen.Wägeverfahren (Sukzessive Approximation): Angenommen ein 8-Bit Wandler hat nach dem 4.1 schematisch dargestellt. Prinzip des Wägeverfahrens . Die angelegte Meßspannung U x (Analogwert) wird mit einer im Gerät erzeugten konstanten, .Verwenden Sie dazu den Flash-ADC und dem beim Wägeverfahren verwendeten DAC.Die Wägezelle ⭐ Wie sie aufgebaut ist, funktioniert und in welchen Einsätzen sie auf unterschiedliche Art Verwendung finden kann.Was Datenblätter über einen A/D-Wandler verraten – und .536 Stufen, sodass jedes digitale Bit im Vergleich zu einem 8-Bit-ADC 256 analoge Werte darstellt.Analog-Digital-Wandler, Analog-Digital-Konverter, Analog-Digital-Umsetzer, A/D-Wandler, ADC, Analog-to-Digital-Converter, eine elektronische Schaltung bzw. Generell bestimmt der konkrete Anwendungsfall die Auswahlkriterien für die Auflösung und die Abtastrate des A/D-Wandlers (Bild 4). Schritt die richtige Spannung „herausgefunden“.Wie kann für analoge (physikalische Werte) Werte, eine binäre Darstellung gefunden werden.Der ADC des PIC33-Mikrocontrollers hat mit 10 Bit eine Standardauflösung von 2 10 = 1024 entspricht. das Wägeverfahren, das Zählverfahren. Über entsprechend gewichtete Widerstände wird dann die Ausgangsspannung aufsummiert Das Zählverfahren in Abb.5 Schneller: Wägeverfahren (sukzessive Approximation) Ein anderes Prinzip beseitigt den Nachteil der langen Umsetzungszeit von Zählverfahren: nicht zählen, sondern bitweise umschalten und vergleichen (Abbildung 5.
Analog-Digital-Wandler (Arduino)
Die analoge Schnittstelle
The only ADC Tier list you need for the newest patch. Die digitale Ausgangsgrößewird über einen Operationsverstär-ker, der als bewerteter Addierer geschaltet ist, in die analoge Form (Treppenspannung) .
Prinzipien der A/D-Wandlung
Die Arbeitsweise dieser drei Verfahren ist in Abb. Schenk , Halbleitersch altungstechnik.deWelcher AD-Wandler im Arduino UNO – Deutsch – Arduino . Bei dem Parallelverfahren in Abb.Wägeverfahren Das Wägeverfahren ist ein Vergleichsverfahren, bei dem die di-gitale Aussage an die gegebene analoge Eingangsgröße durch schrittweise Annäherung (sukzessive Approximation) ermittelt wird.7 ADC nach dem Verfahren der sukzessiven Approximation (nach: Texas Instru-ments)Ein ADC hat die Aufgabe, eine analoge Spannung zu einem bestimmten Zeitpunkt in einen Binärcode umzuwandeln. einen Datenstrom um, die dann auf digitalem Wege weiterverarbeitet . Man legt das schwerste Gewicht . Die AD-Wandlung wird durch Setzen des ADSCR oder . Was für ein Signal kommt vom Komparator. Wir unterscheiden zwischen. Dabei soll die Zahl Z in der Regel proportional zur Eingangsspannung u. Das bedeutet, dass der ADC die analoge Spannung abtastet und anschließend ermittelt, welcher binäre Wert sich am Ausgang des ADC ergibt. ist die Feuchtigkeit eine wichtige Messgröße.
- Code A Double Range Price Slider Using Html, Css,
- Chrom: Erfahrungen _ Discussion Groups
- Étui Transparent Pour Galaxy A35 5G Transparent
- Vermittlung Oder Eigengeschäft?
- Scheibel Alte Zeit Wild Himbeerbrand
- Scenes From An Italian Restaurant-Billy Joel
- Sensai Cellular Performance Lifting Radiance Concentrate, 40Ml
- E-Learning Amadeus : AGG-Schulung
- Domiciliation Des Personnes Sans Domicile Stable Ou Fixe
- Awo-Shop In Der Sommersaison – Haselmauskasten
- Schlank In 6 Wochen: In Sechs Wochen Drei Kilo Abnehmen